Ersatzteil Wahl:
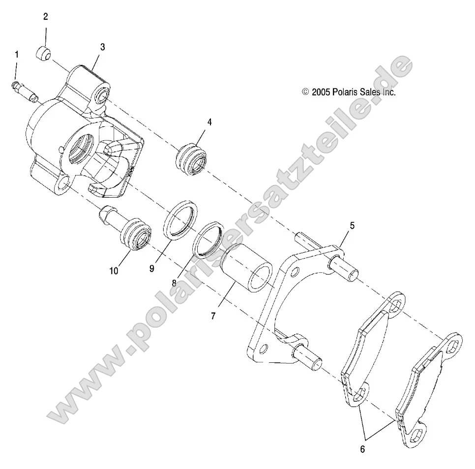
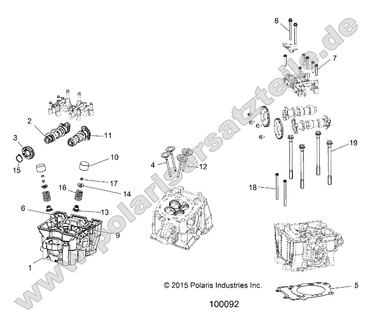
Drive Train, Secondary Clutch Drive Train, Rear Half Shaft Steering, Steering Asm. Drive Train, Primary Clutch References, Tool Kit and Owners Manual Drive Train, Main Gearcase Engine, Waterpump Impeller and Cover Drive Train, Gear Selector Engine, Valve Cover Drive Train, Front Prop Shaft Engine, Throttle Pedal Drive Train, Front Half Shaft Engine, Throttle Body and Fuel Rail Drive Train, Front Gearcase Mounting Engine, Thermostat and Cover Drive Train, Front Gearcase Internals Engine, Stator Cover and Flywheel Drive Train, Clutch Cover and Ducting Engine, Starter Drive Engine, Oil Pump Chassis, Main Frame and Skid Plate Chassis, Cab Frame and Side Bars Engine, Oil Filter and Dipstick Brakes, Rear Caliper Engine, Long Block Brakes, Pedal and Master Cylinder Engine, Fuel Injector & O-Rings Brakes, Caliper, Front Engine, Exhaust System Shields Brakes, Caliper Mounting Engine, Exhaust System Brakes, Brake Lines and Master Cylinder Engine, Engine and Transmission Mounting Body, Steering Boot Engine, Cylinder Head, Cams and Valves Body, Seat Mounting and Belt Engine, Cylinder Body, Seat Asm. Engine, Crankshaft, Piston and Balance Shaft Engine, Crankcase Body, Rear Rack and Fenders Body, Hood and Front Body Work Engine, Cooling System Body, Fuel Tank Engine, Cam Chain and Sprocket Body, Foam Plug Engine, Breather Body, Floor and Rocker Panels Engine, Air Intake System Body, Doors Wheels, Rear Electrical, Wire Harness Body, Decals Wheels, Front Tire and Brake Disc Body, Bumper, Rear Electrical, Sensors Suspension, Stabilizer Bar, Rear Body, Bumper, Front Electrical, Ignition Suspension, Stabilizer Bar, Front Electrical, Headlights, Taillights and Bulbs Suspension, Rear Shock Mounting Electrical, Dash Instruments and Switches Suspension, Rear Control Arms Electrical, Battery Suspension, Front Shock Mounting Suspension, Front



































































