Ersatzteil Wahl:
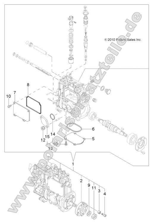
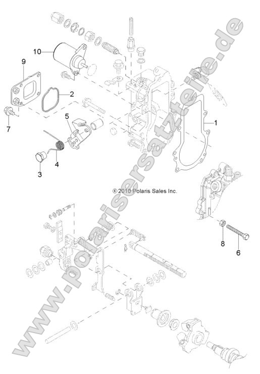
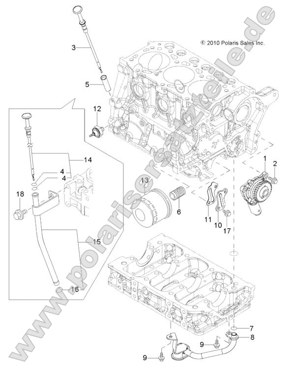
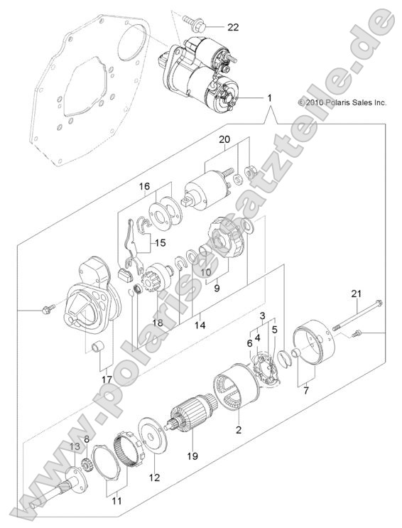
Chassis, Frame and Front Bumper Chassis, Cab Frame Brakes, Rear Caliper Brakes, Pedal and Master Cylinder Mounting Brakes, Park Brake Asm. Brakes, Lines and Master Cylinder Brakes, Front Caliper Body, Tailgate Asm. Body, Side Nets Body, Seat and Base Wheels, Rear Wheels, Front Body, Hood Latch Body, Hood and Front Fascia Body, Glove Box Storage Body, Fuel Tank Asm. Body, Floor and Fenders Body, Decals Suspension, Rear Stabilizer Bar Body, Clutch Cover and Ducting Suspension, Rear Body, Box Mounting Suspension, Front Shock Body, Box Asm. Suspension, Front Control Arms Steering, Steering Asm. References, Tool Kit and Owners Manuals Engine, Water Cooling System Engine, Throttle Pedal Engine, Starting Motor Engine, Oil System and Dipstick Engine, Mounting Flange and Oil Sump Engine, Mounting Engine, Long Block Engine, Governor Engine, Gear Housing Engine, Gasket Set Engine, Fuel Line Engine, Fuel Injection Valve Engine, Fuel Injection Pump Engine, Exhaust Manifold Engine, Exhaust Engine, Cylinder Head and Bonnet Engine, Cylinder Block Engine, Crankshaft and Piston Engine, Cooling System Engine, Camshaft and Driving Gear Engine, Alternator Engine, Air Intake Ducting Engine, Air Intake Electrical, Wire Harnesses Electrical, Regulator, Relays and ECU Electrical, Headlights, Taillights and Bulbs Electrical, Dash Instruments and Controls Electrical, Battery Drive Train, Transmission Mounting Drive Train, Secondary Clutch Drive Train, Rear Prop Shaft Drive Train, Rear Gearcase Mounting Drive Train, Rear Gearcase Drive Train, Rear Drive Shaft Drive Train, Primary Clutch Drive Train, Main Gearcase Shift Forks Drive Train, Main Gearcase Internals Drive Train, Main Gearcase Drive Train, Gear Selector Drive Train, Front Prop Shaft Drive Train, Front Gearcase Mounting Drive Train, Front Gearcase Internals Drive Train, Front Drive Shaft Drive Train, Drive Coupler and Bellhousing
