Ersatzteil Wahl:
Ranger 800 6x6 Ranger 570 EFI Crew Ranger 900 XP All Options Ranger 570 INTL Ranger 800 EFI Midsize Ranger 400 4x4 Ranger 4x4 900D Hippo MPS Ranger 900 Diesel INTL Ranger 800 Ranger EV Midsize INTL Ranger 570 EFI Ranger 800 Crew Ranger 900 Diesel Ranger 900 Crew All Options Ranger 900 Diesel HST/Deluxe Ranger 900 Diesel Crew
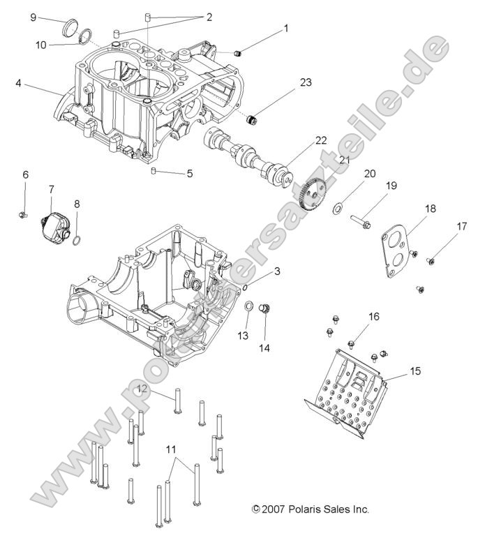
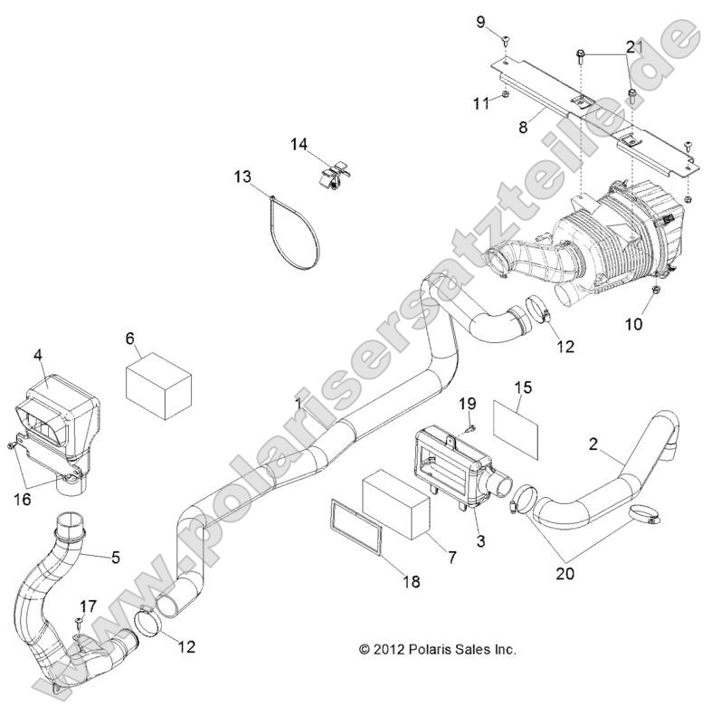
References, Tool Kit and Owners Manuals Engine, Throttle Pedal Drive Train, Front Gearcase Mounting Drive Train, Front Gearcase Internals Engine, Throttle Body and Valve Cover Drive Train, Front Drive Shaft Engine, Thermostat Drive Train, Clutch Cover Engine, Stator and Flywheel Chassis, Frame and Front Bumper Engine, Starting Motor Chassis, Cab Frame Engine, Piston and Cylinder Brakes, Rear Caliper Engine, Oil Pump and Water Pump Brakes, Pedal and Master Cylinder Mounting Engine, Oil Filter and Dipstick Brakes, Lines and Master Cylinder Engine, Mounting Brakes, Front Caliper Engine, Fuel Injector Engine, Exhaust Body, Tailgate Asm. Body, Side Nets Engine, Cylinder Head and Valves Body, Seat Engine, Crankshaft Body, Hood, Dash and Grill Engine, Crankcase Body, Fuel Tank Asm. Engine, Cooling System Body, Floor and Fenders Engine, Air Intake System Body, Decals Body, Box Mounting Engine, Air Intake Body, Box Asm. Electrical, Wire Harness Electrical, Regulator, Relays, Sensors and ECU Electrical, Ignition System Electrical, Headlights, Taillights and Bulbs Electrical, Dash Instruments and Controls Electrical, Battery Wheels, Rear Drive Train, Secondary Clutch Wheels, Front Drive Train, Rear Drive Shaft Suspension, Rear Stabilizer Bar Drive Train, Primary Clutch Suspension, Rear Drive Train, Main Gearcase Mounting Suspension, Front Strut Drive Train, Main Gearcase Internals Suspension, A-Arm and Strut Mounting Drive Train, Main Gearcase Steering, Steering Asm. Drive Train, Gear Selector Steering, Power Steering Drive Train, Front Prop Shaft
