Ersatzteil Wahl:
Ranger 800 6x6 Ranger 570 EFI Crew Ranger 900 XP All Options Ranger 570 INTL Ranger 800 EFI Midsize Ranger 400 4x4 Ranger 4x4 900D Hippo MPS Ranger 900 Diesel INTL Ranger 800 Ranger EV Midsize INTL Ranger 570 EFI Ranger 800 Crew Ranger 900 Diesel Ranger 900 Crew All Options Ranger 900 Diesel HST/Deluxe Ranger 900 Diesel Crew
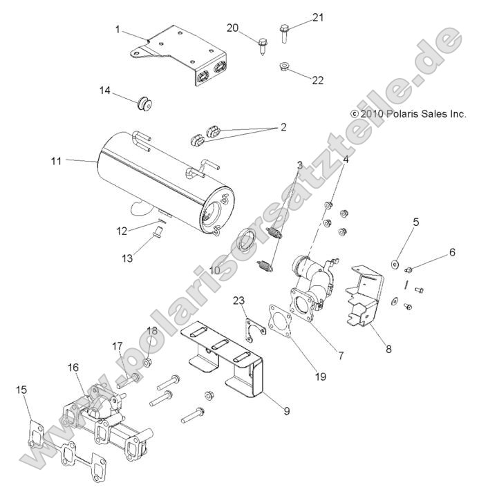
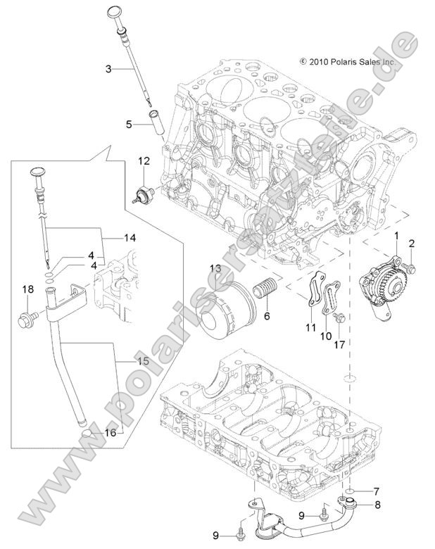
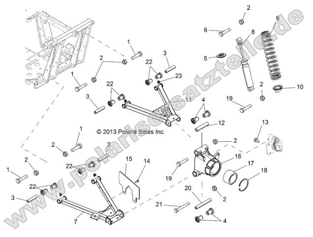
Body, Glove Box Storage Body, Fuel Tank Asm. Body, Floor and Fenders Body, Decals Suspension, Rear Body, Clutch Cover and Ducting Suspension, Front Shock Body, Box Mounting Suspension, Front Control Arms Body, Box Asm. Steering, Steering Asm. References, Tool Kit and Owners Manuals Engine, Water Cooling System Engine, Throttle Pedal Engine, Starting Motor Engine, Oil System and Dipstick Engine, Mounting Flange and Oil Sump Engine, Mounting Engine, Long Block Engine, Governor Engine, Gear Housing Engine, Gasket Set Engine, Fuel Line Engine, Fuel Injection Valve Engine, Fuel Injection Pump Engine, Exhaust Manifold Engine, Exhaust Engine, Cylinder Head and Bonnet Engine, Cylinder Block Engine, Crankshaft and Piston Engine, Cooling System Engine, Camshaft and Driving Gear Engine, Alternator Engine, Air Intake Ducting Engine, Air Intake Electrical, Wire Harnesses Electrical, Regulator, Relays and ECU Electrical, Headlights, Taillights and Bulbs Electrical, Dash Instruments and Controls Electrical, Battery Drive Train, Transmission Mounting Drive Train, Secondary Clutch Drive Train, Rear Prop Shaft Drive Train, Rear Gearcase Mounting Drive Train, Rear Gearcase Drive Train, Rear Drive Shaft Drive Train, Primary Clutch Drive Train, Main Gearcase Shift Forks Drive Train, Main Gearcase Internals Drive Train, Main Gearcase Drive Train, Gear Selector Drive Train, Front Prop Shaft Drive Train, Front Gearcase Mounting Drive Train, Front Gearcase Internals Drive Train, Front Drive Shaft Drive Train, Drive Coupler and Bellhousing Chassis, Frame and Front Bumper Chassis, Cab Frame Brakes, Rear Caliper Brakes, Pedal and Master Cylinder Mounting Brakes, Park Brake Asm. Brakes, Lines and Master Cylinder Brakes, Front Caliper (built 11/5/13 and after) Brakes, Front Caliper (built 11/4/13 and before) Body, Tailgate Asm. Body, Side Nets Body, Seat and Base Wheels, Rear Wheels, Front Suspension, Rear Stabilizer Bar Body, Hood Latch Body, Hood and Front Fascia
