Ersatzteil Wahl:
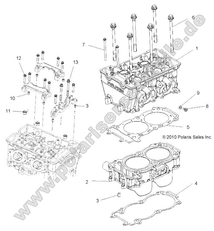
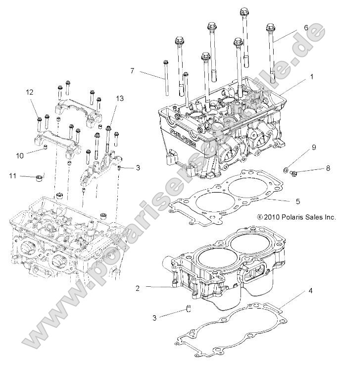
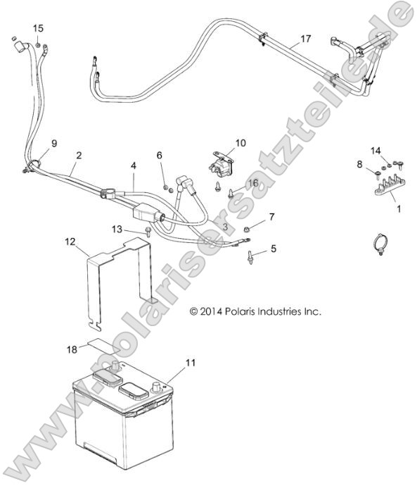
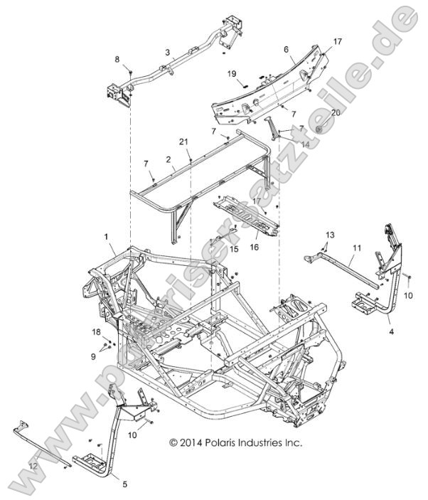
Body, Windshield Fixed Body, Storage Body, Slider, Drivers Seat Body, Side Nets Body, Seat, Slider Wheels, Front (49RGRWHEELFRT13900XP) Body, Seat (49RGRSEAT159XP) Wheels, Front (49RGRWHEELFRT13900XPCAST) Body, Seat (49RGRSEAT15900SB) Suspension, Torsion Bar, Rear Body, Roof Suspension, Rear Shock Body, Rear Window Suspension, Rear Body, Rear Bumper Suspension, Front Shock Suspension, Front Steering, Steering Asm. References, Tool Kit and Owners Manuals Kits, Gun Boot and Scabbard Mount Body, Nerf Bars Body, Hood and Front Fascia Body, Heater and Dash Body, Fuel Tank Body, Front Bumper Engine, Valves and Camshafts Body, Front Brush Guard Engine, Valve Cover Body, Floor and Fenders Engine, Stator and Cover Body, Doors Engine, Starter and Drive Body, Door Mounting Engine, Oil Pump and Oil Cooler Body, Door Engine, Oil Dipstick Engine, Intake and Throttle Body Engine, Exhaust Engine, Engine Mounting Engine, Cylinder and Head Body, Decals, Graphic Body, Decals, Common Body, Dash Body, Center Mirror Body, Center Console Body, Cargo Storage Box Engine, Crankshaft and Piston Body, Cargo Box Engine, Crankcase Body, Box, Tailgate Engine, Cooling, Waterpump Body, Box Mounting and Latch Engine, Cooling, Thermostat and Bypass Engine, Cooling System Engine, Breather Engine, Balancer Engine, Air Intake System Electrical, Throttle Pedal Electrical, Sensors and Modules Electrical, Options Electrical, Ignition Electrical, Headlight and Taillight Electrical, Harness Electrical, Digital Display Electrical, Dash Controls Electrical, Battery Drive Train, Shift Lever and Cable Drive Train, Rear Drive Shaft Drive Train, Main Gearcase, Internals Drive Train, Main Gearcase Mounting Drive Train, Front Prop Shaft Drive Train, Front Half Shaft Drive Train, Front Gearcase Mounting Drive Train, Front Gearcase Internals Drive Train, Clutch, Secondary, EBS Drive Train, Clutch, Secondary Drive Train, Clutch, Primary, EBS Drive Train, Clutch, Primary Drive Train, Clutch Cover and Ducting Chassis, Main Frame Chassis, Cab Frame Brakes, Rear Caliper Brakes, Pedal and Master Cylinder Brakes, Master Cylinder Brakes, Front Caliper Brakes, Caliper Mounting Brakes, Brake Lines and Master Cylinder Body, Windshield Wiper Body, Windshield Tip-Out Winch Wheels, Rear (49RGRWHEELRR13900XP) Wheels, Rear (49RGRWHEELRR13900XPCAST)




























































































