Ersatzteil Wahl:
Ranger EV Ranger 1000 Diesel EU Ranger 570-6 Crew Ranger 1000 Diesel Crew Ranger 570 XP Full Size Ranger 900 XP EU Ranger 900 XP All Options Ranger Crew 900 All Options Ranger EV Li-Ion Ranger HST Diesel Ranger 570 XP Full Size Crew Ranger 800 6x6 Ranger 570 EFI Crew Ranger 1000 Diesel Ranger ETX Ranger 570 Ranger 570 Full Size Ranger 570 EU
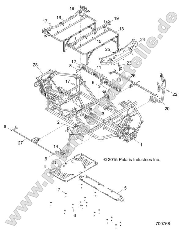
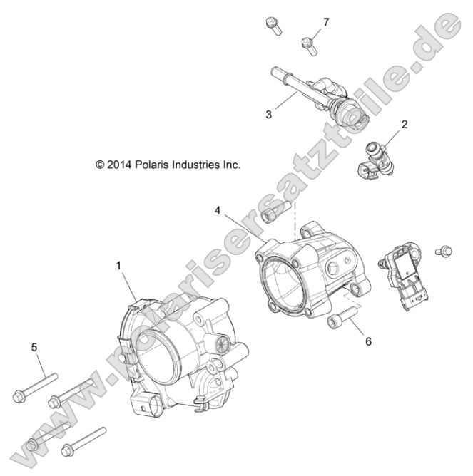
Chassis, Front Bumper Chassis, Frame Engine, Starter Drive Chassis, Cab Frame Engine, Oil Pump Brakes, Rear Caliper Engine, Oil Filter and Dipstick Brakes, Pedal and Master Cylinder Mounting Engine, Long Block Brakes, Front Caliper Engine, Engine and Transmission Mounting Brakes, Brake Lines and Master Cylinder Engine, Cylinder Head, Cams and Valves Body, Storage Engine, Cylinder Body, Side Nets Engine, Crankshaft, Piston and Balance Shaft Body, Seat Engine, Crankcase Engine, Cooling System Body, Hood and Front Fascia Body, Fuel Tank Asm. Engine, Cam Chain and Sprocket Body, Floor, Rear Engine, Breather Body, Floor, Front Engine, Air Intake System Body, Decals Electrical, Wire Harnesses Body, Dash Electrical, Sensors Body, Cargo Box Body, Box, Tailgate Electrical, Regulator and Relay Wheels, Rear Body, Box Mounting and Latch Electrical, Ignition Wheels, Front Electrical, Headlight and Taillight Suspension, Torsion Bar, Rear Electrical, Dash Controls Suspension, Rear Shock Electrical, Battery Suspension, Rear Suspension, Front Shock Drive Train, Secondary Clutch Drive Train, Rear Drive Shaft Suspension, Front Drive Train, Primary Clutch Steering, Steering Asm ohne EPS Drive Train, Main Gearcase Steering, Steering Asm mit EPS Drive Train, Gear Selector References, Tool Kit and Owners Manuals Drive Train, Front Prop Shaft Engine, Waterpump Impeller and Cover Drive Train, Front Half Shaft Engine, Valve Cover Drive Train, Front Gearcase Mounting Engine, Throttle Pedal Drive Train, Front Gearcase Internals Engine, Throttle Body and Fuel Rail Drive Train, Clutch Cover and Ducting Engine, Thermostat and Cover Engine, Stator Cover and Flywheel

































































