Ersatzteil Wahl:
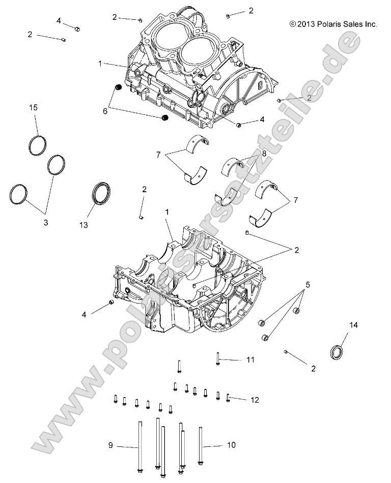
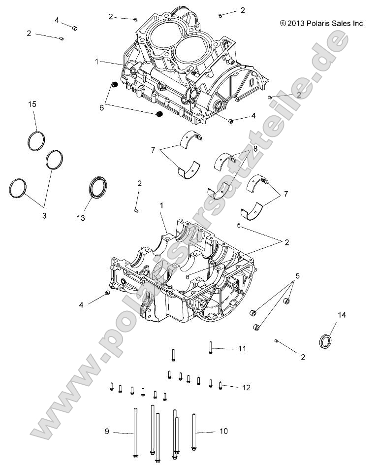
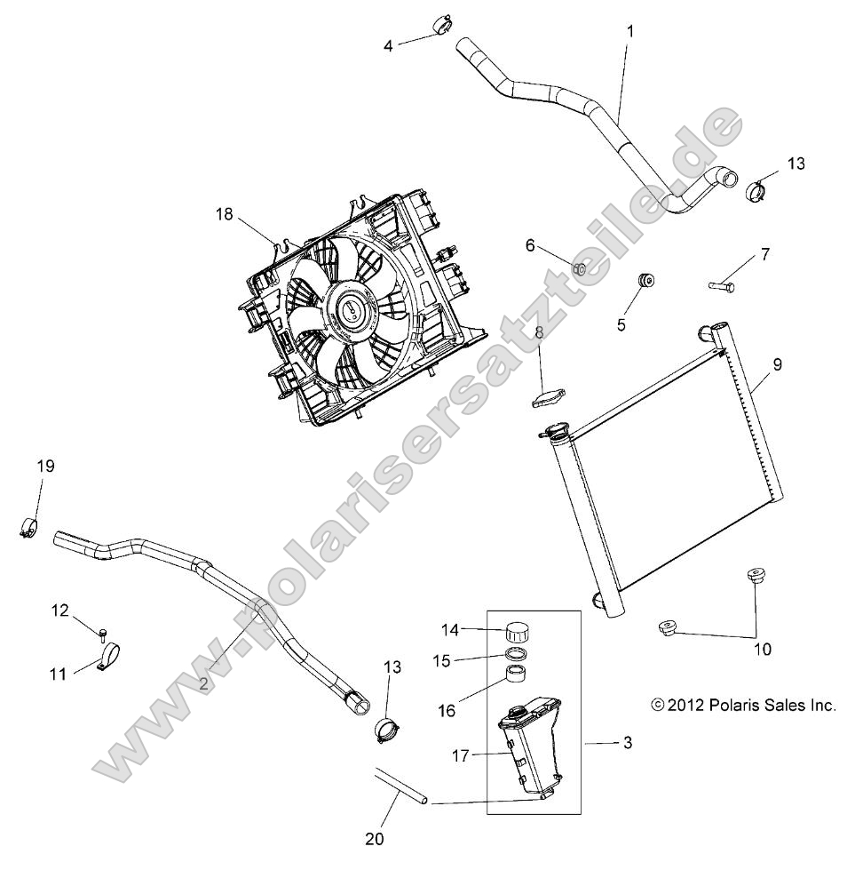
Engine, Cooling Bypass Engine, Cam Chain Engine, Balance Shaft Engine, Air Intake Electrical, Taillight Electrical, Switches, Sensors, ECU and Controls Modules Electrical, Ignition System Electrical, Ignition Coil Mounting Electrical, Headlights Electrical, Harness Electrical, Gauges and Indicators Electrical, Battery Drive Train, Secondary Clutch Drive Train, Rear Gearcase Internals Drive Train, Prop Shaft, Rear Drive Train, Prop Shaft, Front Drive Train, Primary Clutch Drive Train, Main Gearcase Drive Train, Gearcase Mounting, Rear Drive Train, Gearcase Mounting, Front Drive Train, Gear Selector Drive Train, Front Gearcase Internals Drive Train, Drive Shaft, Rear Drive Train, Drive Shaft, Front Drive Train, Drive Coupler Chassis, Main Frame Brakes, Rear Caliper Brakes, Front Caliper Brakes, Front Brake Lever and Master Cylinder Brakes, Brake Pedal and Master Cylinder Brakes, Brake Lines Body, Storage, Rear Body, Skid Plates Body, Seat Body, Rear Rack Body, Rear Cab and Heat Shields Body, Handguards Wheels, Rear and Hub Wheels, Front and Hub Tools, Tool Kit Suspension, Stabilizer Bar Body, Gauge Pod Body, Fuel Tank Body, Front Rack Support Body, Front Rack Body, Front Cab and Side Panels Body, Front Bumper Suspension, Shock, Rear, Mounting Body, Footwells Suspension, Shock, Rear Body, Decals Suspension, Shock, Front, Mounting Body, Clutch Cover Suspension, Shock, Front Suspension, Rear Suspension, Front A-Arms Steering, Steering Post Asm. Steering, Handlebar and Controls Steering, Controls, Throttle Asm. and Cable Reference, Owners Manual Engine, Valve Cover Engine, Throttle Body Engine, Starting System Engine, Oil System Engine, Long Block Engine, Fuel Rail Clamp (from 2/3/2017) Engine, Exhaust Engine, Engine and Transmission Mounting Engine, Cylinder Head, Cam and Valves Engine, Crankshaft and Piston Engine, Crankcase Engine, Cooling System and Water Pump Engine, Cooling System









































































