Ersatzteil Wahl:
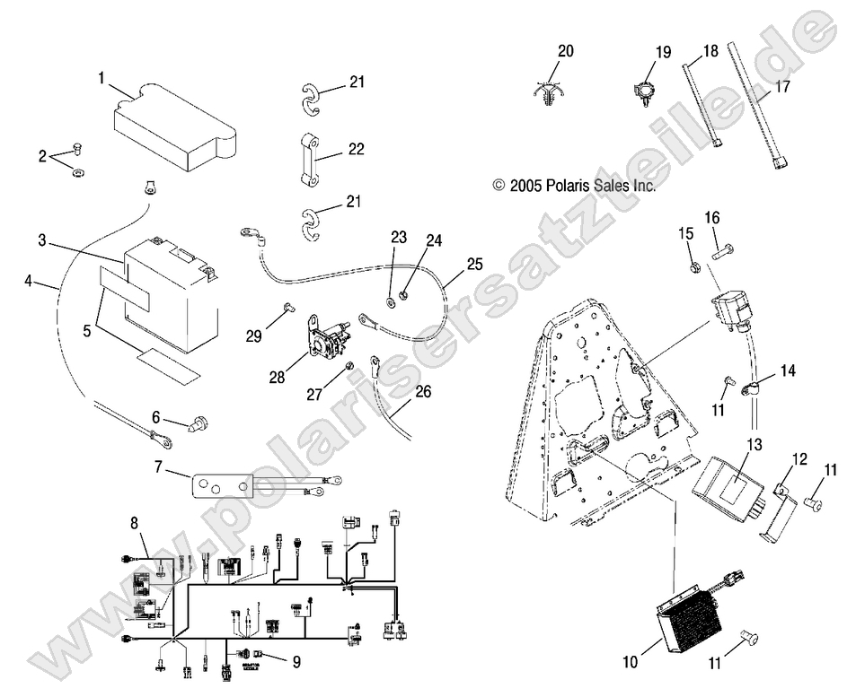
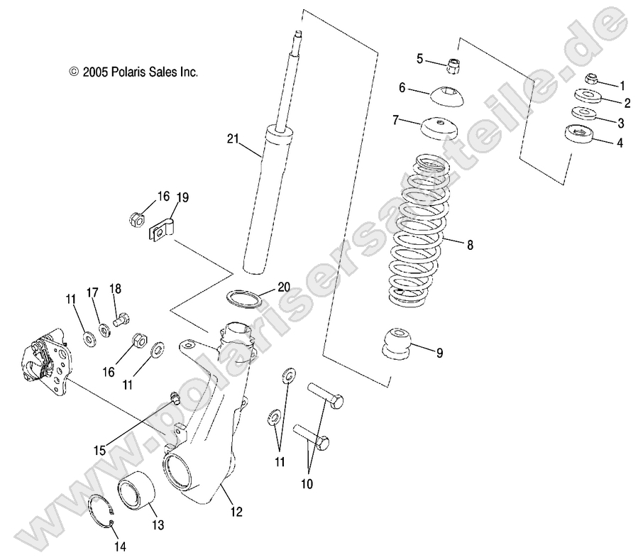
OIL PUMP CALIPER, REAR OIL FILTER CAB, REAR and SEAT MASTER CYLINDER, REAR/FOOT PEDAL CAB, FRONT MAGNETO BRAKE, FRONT INTAKE and EXHAUST BRAKE LINES, FRONT AIR BOX HOUSING, FRONT (DEMAND DRIVE) A-ARM/STRUT MOUNTING HEADLIGHT POD and SPEEDOMETER HANDLEBAR and CONTROLS GUN BOOT GEARCASE, INTERNAL GEARCASE GEAR SELECTOR WINCH FUEL SYSTEM WHEEL, FRONT FUEL PUMP WHEEL DRIVE, REAR EXHAUST SYSTEM WATER PUMP ENGINE MOUNTING TRANSMISSION MOUNTING ELECTRICAL/TAILLIGHT TORSION BAR DRIVEN CLUTCH DRIVE SHAFT, REAR TAILLAMPS/WORKLAMPS/HEADLIGHTS DRIVE SHAFT, FRONT SUSPENSION, REAR STRUT, FRONT DRIVE CLUTCH DECALS STORAGE, FRONT and BUMPER MOUNTING CYLINDER STORAGE BOX, REAR CRANKSHAFT and PISTON STEERING POST CRANKCASE STARTING MOTOR COOLING SYSTEM SHIFT FORKS CONTROLS-THROTTLE ASM./CABLE RECOIL STARTER CONTROLS RACK MOUNTING, REAR CLUTCH COVER PROP SHAFT CARBURETOR, UPPER OUTPUT SHAFT, FRONT OIL TANK CARBURETOR, LOWER CARBURETOR MOUNTING and FUEL PUMP/LINES


























































