Ersatzteil Wahl:
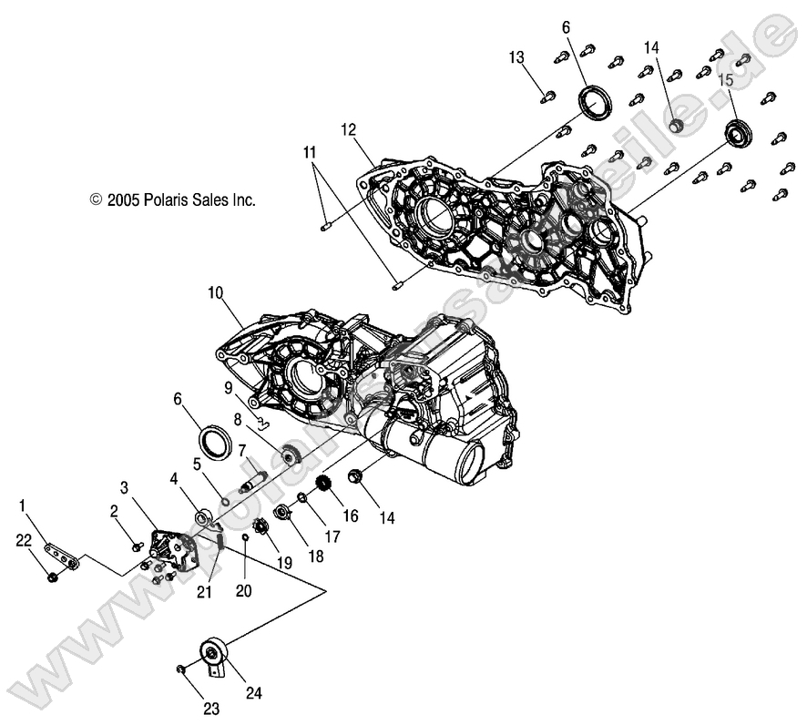
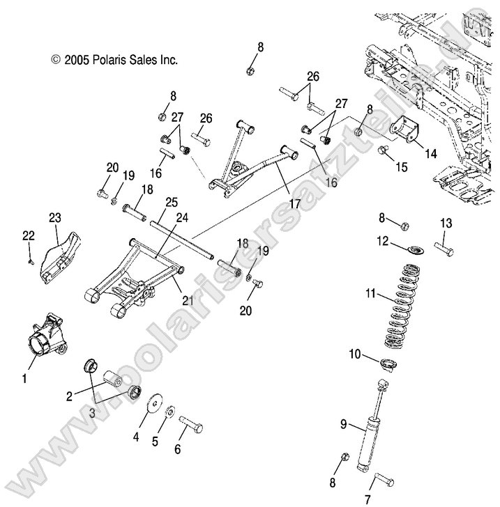
OIL PUMP CAB, FRONT OIL FILTER BUMPER MOUNTING MASTER CYLINDER, REAR and FOOT PEDAL BRAKE, FRONT MASTER CYLINDER, LH BRAKE LINES, FRONT AIR BOX MAGNETO A-ARM/STRUT MOUNTING INTAKE and EXHAUST HOUSING, FRONT (DEMAND DRIVE) HANDLEBAR and CONTROLS GEARCASE, INTERNAL GEARCASE GEAR SELECTOR FUEL SYSTEM WHEEL, FRONT FUEL PUMP WHEEL DRIVE, REAR EXHAUST SYSTEM WATER PUMP ENGINE MOUNTING TURN SIGNALS/MIRRORS/HORN ELECTRICAL/TAILLIGHT TRANSMISSION MOUNTING DRIVEN CLUTCH TORSION BAR DRIVE SHAFT, REAR DRIVE SHAFT, FRONT TAILLAMPS/HEADLIGHTS SUSPENSION, REAR DRIVE CLUTCH DECALS STRUT, FRONT CYLINDER STORAGE, FRONT CRANKSHAFT and PISTON STORAGE BOX, REAR CRANKCASE STEERING POST COOLING SYSTEM STARTING MOTOR CONTROLS-THROTTLE ASM/CABLE SHIFT FORKS CLUTCH COVER RECOIL STARTER CARBURETOR, UPPER RACK MOUNTING, REAR CARBURETOR, LOWER PROP SHAFT OUTPUT SHAFT, FRONT CARBURETOR MOUNTING and FUEL PUMP/LINES CALIPER, REAR OIL TANK CAB, REAR and SEAT

























































