Ersatzteil Wahl:
ENGINE, COOLING SYSTEM ENGINE, BREATHER ENGINE, AIR INTAKE ELECTRICAL, TURN SIGNALS and HORN ELECTRICAL, TAILLAMPS ELECTRICAL, SWITCHES, SENSORS, ECU and CONTROL MODULES ELECTRICAL, IGNITION SYSTEM ELECTRICAL, HEADLIGHTS ELECTRICAL, HARNESS ELECTRICAL, GAUGES and INDICATORS ELECTRICAL, BULBS ELECTRICAL, BATTERY DRIVE TRAIN, SECONDARY CLUTCH DRIVE TRAIN, REAR GEARCASE INTERNALS (Built 12/02/08 and After) DRIVE TRAIN, REAR GEARCASE INTERNALS (Built 12/01/08 and Before) DRIVE TRAIN, PROP SHAFT, REAR DRIVE TRAIN, PROP SHAFT, FRONT DRIVE TRAIN, PRIMARY CLUTCH DRIVE TRAIN, MAIN GEARCASE SHIFT FORKS DRIVE TRAIN, MAIN GEARCASE INTERNALS DRIVE TRAIN, MAIN GEARCASE DRIVE TRAIN, GEARCASE MOUNTING, REAR DRIVE TRAIN, GEARCASE MOUNTING, FRONT DRIVE TRAIN, GEAR SELECTOR DRIVE TRAIN, FRONT GEARCASE INTERNALS DRIVE TRAIN, DRIVE SHAFT, REAR DRIVE TRAIN, DRIVE SHAFT, FRONT DRIVE TRAIN, DRIVE COUPLER CHASSIS, MAIN FRAME BRAKES, VALVE SYSTEM BRAKES, REAR CALIPER BRAKES, FRONT CALIPER BRAKES, FRONT BRAKE LEVER and MASTER CYLINDER BRAKES, BRAKE PEDAL and MASTER CYLINDER BRAKES, BRAKE LINES BODY, STORAGE, REAR BODY, SKID PLATES BODY, SEAT BODY, REAR CAB and REAR RACK WHEELS, REAR and HUB BODY, REAR BUMPER WHEELS, FRONT and HUB TOOLS, TOOL KIT SUSPENSION, STABILIZER BAR SUSPENSION, SHOCK, REAR SUSPENSION, SHOCK, FRONT BODY, MIRRORS BODY, HEADLIGHT POD BODY, FUEL TANK BODY, FRONT RACK BODY, FRONT CAB BODY, FRONT BUMPER and MOUNTING SUSPENSION, REAR BODY, FOOTWELLS SUSPENSION, FRONT A-ARMS BODY, DECALS STEERING, STEERING POST ASM. BODY, CLUTCH COVER STEERING, HANDLEBAR and CONTROLS STEERING, CONTROLS, THROTTLE ASM. and CABLE REFERENCE, MANUALS and INFORMATION ENGINE, VALVES and CAMSHAFT ENGINE, THROTTLE BODY ENGINE, STARTING SYSTEM ENGINE, SHORT BLOCK ENGINE, OIL PUMP ENGINE, OIL FILTER ENGINE, MOUNTING ENGINE, MAGNETO COVER ENGINE, FUEL INJECTOR ENGINE, EXHAUST ENGINE, CYLINDER ENGINE, CRANKSHAFT and PISTON ENGINE, CRANKCASE ENGINE, COOLING SYSTEM and WATER PUMP

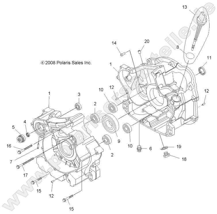
Polaris MECHANICAL SEAL - 3084837 (3084837)
91,89 € *
Nicht verfügbar, muss beim Hersteller / Importeur bestellt werden, Lieferzeit 7-12 Tage, wenn beim Hersteller / Importeur vorrätig

Zoomen:
Artikelname
Artikelnummer
Preis
Anzahl
05
Polaris MECHANICAL SEAL - 3084837
Nicht verfügbar, muss beim Hersteller / Importeur bestellt werden, Lieferzeit 7-12 Tage, wenn beim Hersteller / Importeur vorrätig
Artikelnummer: 3084837
Preis:
91,89 € *
