Ersatzteil Wahl:
BODY, MIRRORS BODY, HEADLIGHT POD BODY, FUEL TANK BODY, FRONT RACK and SUPPORTS BODY, FRONT CAB BODY, FRONT BUMPER and MOUNTING STEERING, STEERING POST ASM. BODY, FOOTWELLS STEERING, HANDLEBAR and CONTROLS BODY, DECALS STEERING, CONTROLS, THROTTLE ASM. and CABLE BODY, CLUTCH COVER REFERENCE, MANUALS and INFORMATION OPTIONS, WINCH ENGINE, VALVES and CAMSHAFT ENGINE, THROTTLE BODY ENGINE, STARTING SYSTEM ENGINE, SHORT BLOCK ENGINE, OIL PUMP ENGINE, OIL FILTER ENGINE, MOUNTING ENGINE, MAGNETO COVER ENGINE, FUEL INJECTOR ENGINE, EXHAUST ENGINE, CYLINDER ENGINE, CRANKSHAFT and PISTON ENGINE, CRANKCASE ENGINE, COOLING SYSTEM and WATER PUMP ENGINE, COOLING SYSTEM ENGINE, BREATHER ENGINE, AIR INTAKE ELECTRICAL, TURN SIGNALS and HORN ELECTRICAL, TAILLAMPS ELECTRICAL, SWITCHES, SENSORS, ECU and CONTROL MODULES ELECTRICAL, IGNITION SYSTEM ELECTRICAL, HEADLIGHTS ELECTRICAL, HARNESS ELECTRICAL, GAUGES and INDICATORS ELECTRICAL, BULBS ELECTRICAL, BATTERY DRIVE TRAIN, SECONDARY CLUTCH DRIVE TRAIN, REAR GEARCASE INTERNALS DRIVE TRAIN, PROP SHAFT, REAR DRIVE TRAIN, PROP SHAFT, FRONT DRIVE TRAIN, PRIMARY CLUTCH DRIVE TRAIN, MAIN GEARCASE SHIFT FORKS DRIVE TRAIN, MAIN GEARCASE INTERNALS DRIVE TRAIN, MAIN GEARCASE DRIVE TRAIN, GEARCASE MOUNTING, REAR DRIVE TRAIN, GEARCASE MOUNTING, FRONT DRIVE TRAIN, GEAR SELECTOR DRIVE TRAIN, FRONT GEARCASE INTERNALS (Built 3/06/10 and After) DRIVE TRAIN, FRONT GEARCASE INTERNALS (Built 3/05/10 and Before) DRIVE TRAIN, DRIVE SHAFT, REAR (Built 11/17/09 and After) DRIVE TRAIN, DRIVE SHAFT, REAR (Built 11/16/09 and Before) DRIVE TRAIN, DRIVE SHAFT, FRONT DRIVE TRAIN, DRIVE COUPLER CHASSIS, MAIN FRAME BRAKES, VALVE SYSTEM BRAKES, REAR CALIPER BRAKES, FRONT CALIPER BRAKES, FRONT BRAKE LEVER and MASTER CYLINDER BRAKES, BRAKE PEDAL and MASTER CYLINDER BRAKES, BRAKE LINES BODY, STORAGE, REAR BODY, SKID PLATES BODY, SEAT WHEELS, FRONT and HUB BODY, REAR CAB and REAR RACK TOOLS, TOOL KIT BODY, REAR BUMPER SUSPENSION, STABILIZER BAR SUSPENSION, SHOCK, REAR SUSPENSION, SHOCK, FRONT SUSPENSION, REAR SUSPENSION, FRONT A-ARMS

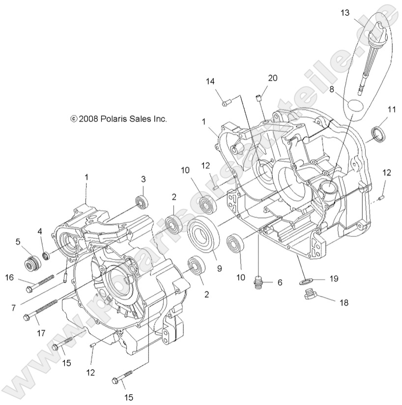
Polaris MECHANICAL SEAL - 3084837 (3084837)
91,89 € *
Nicht verfügbar, muss beim Hersteller / Importeur bestellt werden, Lieferzeit 7-12 Tage, wenn beim Hersteller / Importeur vorrätig

Zoomen:
Artikelname
Artikelnummer
Preis
Anzahl
05
Polaris MECHANICAL SEAL - 3084837
Nicht verfügbar, muss beim Hersteller / Importeur bestellt werden, Lieferzeit 7-12 Tage, wenn beim Hersteller / Importeur vorrätig
Artikelnummer: 3084837
Preis:
91,89 € *
