Ersatzteil Wahl:
STEERING, STEERING POST ASM. STEERING, HANDLEBAR and CONTROLS STEERING, CONTROLS, THROTTLE ASM. and CABLE REFERENCE, MANUALS and INFORMATION ENGINE, VALVES and CAMSHAFT ENGINE, THROTTLE BODY ENGINE, STARTING SYSTEM ENGINE, SHORT BLOCK ENGINE, OIL PUMP ENGINE, OIL FILTER ENGINE, MOUNTING ENGINE, MAGNETO COVER ENGINE, FUEL INJECTOR ENGINE, EXHAUST ENGINE, CYLINDER ENGINE, CRANKSHAFT and PISTON ENGINE, CRANCASE ENGINE, COOLING SYSTEM and WATER PUMP ENGINE, COOLING SYSTEM ENGINE, BREATHER ENGINE, AIR INTAKE ELECTRICAL, TAILLIGHTS ELECTRICAL, SWITCHES, SENSORS, ECU and CONTROL MODULES ELECTRICAL, IGNITION SYSTEM ELECTRICAL, HEADLIGHTS ELECTRICAL, HARNESS ELECTRICAL, GAUGES and INDICATORS ELECTRICAL, BULBS ELECTRICAL, BATTERY DRIVE TRAIN, SECONDARY CLUTCH DRIVE TRAIN, REAR GEARCASE INTERNALS DRIVE TRAIN, PROP SHAFT, REAR DRIVE TRAIN, PROP SHAFT, FRONT DRIVE TRAIN, PRIMARY CLUTCH DRIVE TRAIN, MAIN GEARCASE SHIFT FORKS DRIVE TRAIN, MAIN GEARCASE INTERNALS DRIVE TRAIN, MAIN GEARCASE DRIVE TRAIN, GEARCASE MOUNTING, REAR DRIVE TRAIN, GEARCASE MOUNTING, FRONT DRIVE TRAIN, GEAR SELECTOR DRIVE TRAIN, FRONT GEARCASE INTERNALS (Built 3/06/10 and After) DRIVE TRAIN, FRONT GEARCASE INTERNALS (Built 3/05/10 and Before) DRIVE TRAIN, DRIVE SHAFT, REAR (Built 11/17/09 and After) DRIVE TRAIN, DRIVE SHAFT, REAR (Built 11/16/09 and Before) DRIVE TRAIN, DRIVE SHAFT, FRONT DRIVE TRAIN, DRIVE COUPLER CHASSIS, MAIN FRAME BRAKES, REAR CALIPER BRAKES, FRONT CALIPER BRAKES, FRONT BRAKE LEVER and MASTER CYLINDER BRAKES, BRAKE PEDAL and MASTER CYLINDER BRAKES, BRAKE LINES BODY, STORAGE, REAR BODY, SKID PLATES BODY, SEAT BODY, REAR CAB and REAR RACK WHEELS, REAR and HUB WHEELS, FRONT and HUB TOOLS, TOOL KIT SUSPENSION, STABILIZER BAR BODY, REAR BUMPER BODY, HEADLIGHT POD BODY, FUEL TANK BODY, FRONT RACK and SUPPORTS BODY, FRONT CAB BODY, FRONT BUMPER and MOUNTING SUSPENSION, SHOCK, REAR BODY, FOOTWELLS SUSPENSION, SHOCK, FRONT BODY, DECALS SUSPENSION, REAR BODY, CLUTCH COVER SUSPENSION, FRONT A-ARMS

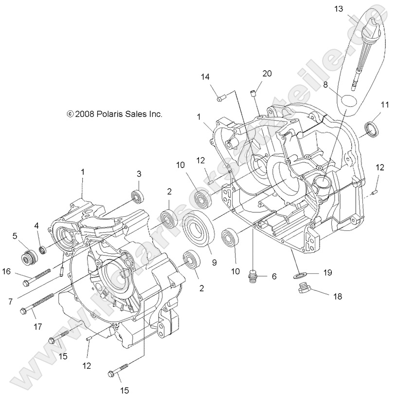
Polaris MECHANICAL SEAL - 3084837 (3084837)
91,89 € *
Nicht verfügbar, muss beim Hersteller / Importeur bestellt werden, Lieferzeit 7-12 Tage, wenn beim Hersteller / Importeur vorrätig

Zoomen:
Artikelname
Artikelnummer
Preis
Anzahl
05
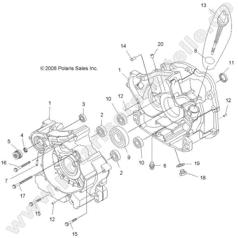
Polaris MECHANICAL SEAL - 3084837
Nicht verfügbar, muss beim Hersteller / Importeur bestellt werden, Lieferzeit 7-12 Tage, wenn beim Hersteller / Importeur vorrätig
Artikelnummer: 3084837
Preis:
91,89 € *
