Ersatzteil Wahl:
Sportsman Touring 500 HO Intl Sportsman EPS 550 Sportsman 800 EFI Sportsman 800 EFI 6x6 Sportsman X2 550 Intl Sportsman XP EPS 850 Sportsman Forest 500 Sportsman Touring EPS 850 Intl Sportsman 400 HO 4x4 Sportsman Forest 550 Sportsman Touring EPS 550 Intl Sportsman Forest 850 Sportsman 550 Sportsman XP 850 Sportsman X2 850 Sportsman 500 HO
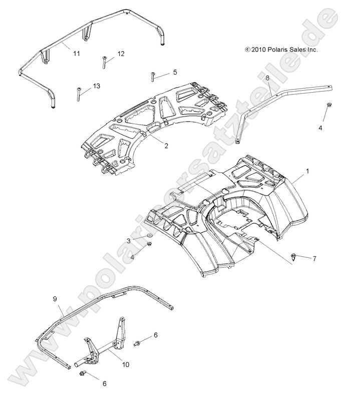
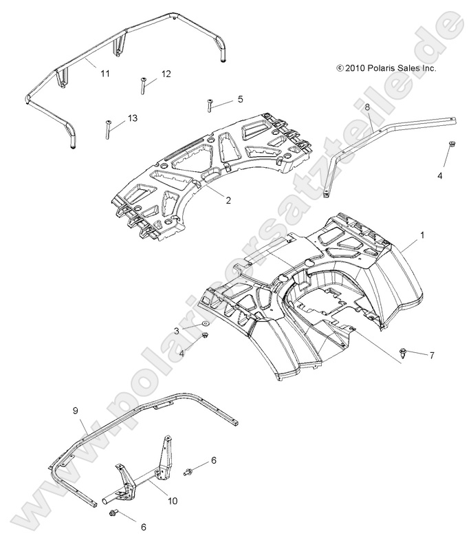
ENGINE, MAGNETO COVER ENGINE, FUEL INJECTOR ENGINE, EXHAUST ENGINE, CYLINDER ENGINE, CRANKSHAFT and PISTON ENGINE, CRANKCASE ENGINE, COOLING SYSTEM and WATER PUMP ENGINE, COOLING SYSTEM ENGINE, BREATHER ENGINE, AIR INTAKE (Built 10/23/10 and After) ENGINE, AIR INTAKE (Built 10/22/10 and Before) ELECTRICAL, TAILLIGHTS ELECTRICAL, SWITCHES, SENSORS, ECU and CONTROL MODULES ELECTRICAL, IGNITION SYSTEM ELECTRICAL, HEADLIGHTS ELECTRICAL, HARNESS ELECTRICAL, GAUGES and INDICATORS ELECTRICAL, BULBS - A11ZX55AT (49ATVBULBS09SPXP850) ELECTRICAL, BULBS - A11ZX55AB/AK/AL/AW/AX (49ATVBULBS09SPEPS550) ELECTRICAL, BATTERY DRIVE TRAIN, SECONDARY CLUTCH DRIVE TRAIN, REAR GEARCASE INTERNALS DRIVE TRAIN, PROP SHAFT, REAR DRIVE TRAIN, PROP SHAFT, FRONT DRIVE TRAIN, PRIMARY CLUTCH DRIVE TRAIN, MAIN GEARCASE SHIFT FORKS (Built 3/02/11 and After) DRIVE TRAIN, MAIN GEARCASE SHIFT FORKS (Built 3/01/11 and Before) DRIVE TRAIN, MAIN GEARCASE INTERNALS (Built 3/02/11 and After) DRIVE TRAIN, MAIN GEARCASE INTERNALS (Built 3/01/11 and Before) DRIVE TRAIN, MAIN GEARCASE (Built 3/02/11 and After) DRIVE TRAIN, MAIN GEARCASE (Built 3/01/11 and Before) DRIVE TRAIN, GEARCASE MOUNTING, REAR DRIVE TRAIN, GEARCASE MOUNTING, FRONT DRIVE TRAIN, GEAR SELECTOR DRIVE TRAIN, FRONT GEARCASE INTERNALS DRIVE TRAIN, DRIVE SHAFT, REAR DRIVE TRAIN, DRIVE SHAFT, FRONT DRIVE TRAIN, DRIVE COUPLER (Built 3/02/11 and After) DRIVE TRAIN, DRIVE COUPLER (Built 3/01/11 and Before) CHASSIS, MAIN FRAME WHEELS, REAR and HUB WHEELS, REAR and HUB WHEELS, FRONT and HUB BRAKES, REAR CALIPER BRAKES, FRONT CALIPER BRAKES, FRONT BRAKE LEVER and MASTER CYLINDER BRAKES, BRAKE PEDAL and MASTER CYLINDER BRAKES, BRAKE LINES WHEELS, FRONT and HUB BODY, STORAGE, REAR TOOLS, TOOL KIT BODY, SKID PLATES SUSPENSION, STABILIZER BAR BODY, SEAT SUSPENSION, SHOCK, REAR BODY, REAR CAB and REAR RACK SUSPENSION, SHOCK, FRONT BODY, REAR BUMPER SUSPENSION, REAR SUSPENSION, FRONT A-ARMS STEERING, STEERING POST ASM. STEERING, HANDLEBAR and CONTROLS STEERING, CONTROLS, THROTTLE ASM. and CABLE BODY, HEADLIGHT POD BODY, FUEL TANK BODY, FRONT RACK and SUPPORTS BODY, FRONT CARGO BOX BODY, FRONT CAB BODY, FRONT BUMPER and MOUNTING REFERENCE, MANUAL and SUPPLEMENT BODY, FOOTWELLS OPTIONS, WINCH BODY, DECALS OPTIONS, GUN BOOT BODY, CLUTCH COVER ENGINE, VALVES and CAMSHAFT ENGINE, THROTTLE BODY ENGINE, STARTING SYSTEM ENGINE, SHORT BLOCK ENGINE, OIL PUMP ENGINE, OIL FILTER ENGINE, MOUNTING


















































































