Ersatzteil Wahl:
Sportsman 500 HO Sportsman Forest 800 Sportsman X2 550 INTL Sportsman Touring 500 HO Sportsman 550 EPS Sportsman Forest 550 Sportsman 800 EFI 6X6 Sportsman XP 550 HD Sportsman Touring 550 EPS Sportsman X2 550 Sportsman Forest Tractor 500 Sportsman Touring 850 HO EPS Sportsman XP 850 Sportsman 90 Sportsman XP 850 HO EPS Sportsman Forest 850 Sportsman 550 Sportsman Forest 500 Sportsman 800 EFI Sportsman Forest 800 6X6 Sportsman Touring 850 EPS INTL Sportsman 400 HO 4x4 Sportsman Touring 550 EPS INTL Sportsman 500 HD
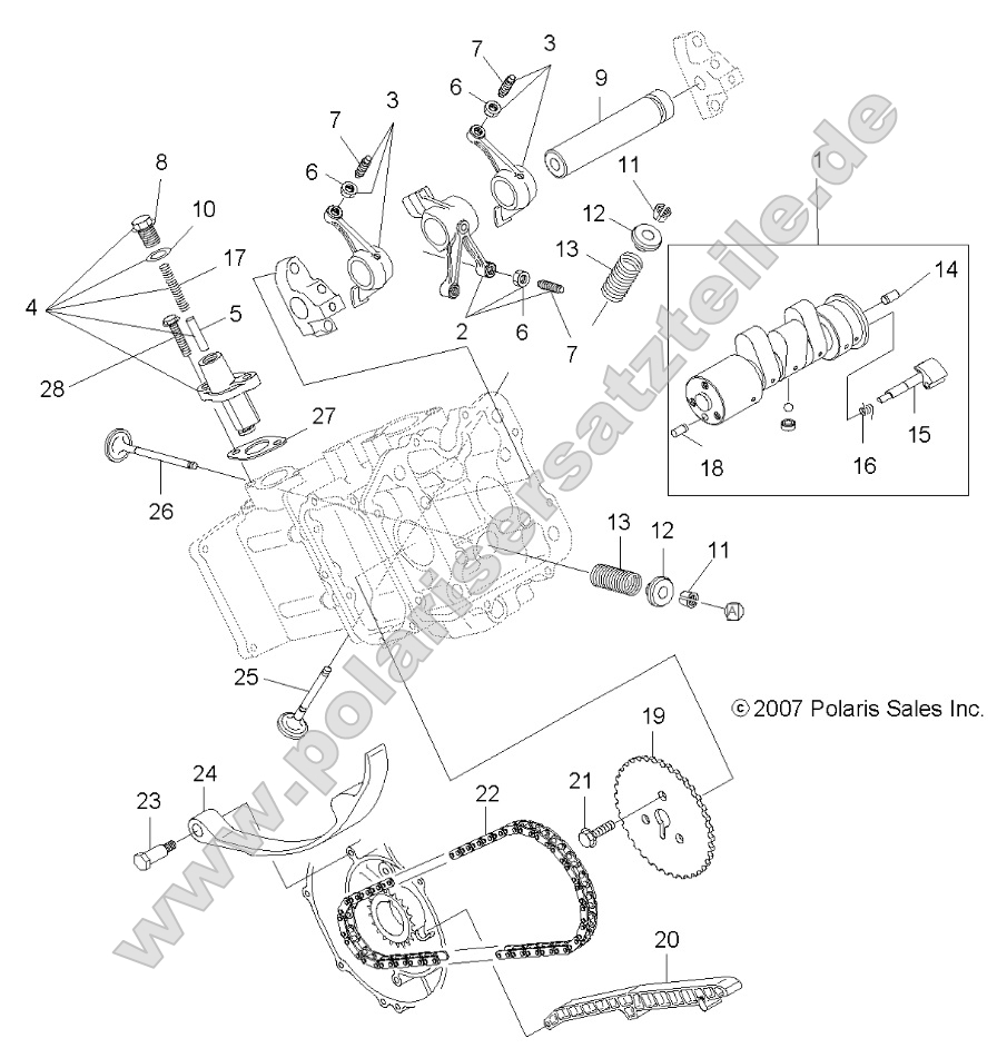
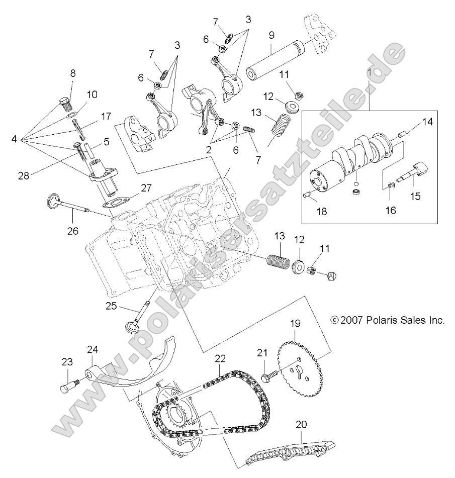
Drive Train, Front Gearcase Mounting Drive Train, Front Gearcase Engine, Oil Filter Drive Train, Front Drive Shaft Engine, Mounting Chassis, Frame Engine, Fuel Pump Brakes, Rear Caliper Engine, Flywheel Cover Brakes, Front Caliper Engine, Exhaust Brakes, Front Brake Lever and Master Cylinder Engine, Cylinder and Head Brakes, Brake Pedal and Master Cylinder Engine, Crankshaft and Piston Brakes, Brake Lines Engine, Crankcase Body, Storage, Front Engine, Cooling System Engine, Carburetor, Upper Body, Storage Box, Rear Body, Rear Rack Engine, Carburetor, Lower Body, Rear Cab, Seat and Footwells Engine, Carburetor Mounting and Fuel Lines Body, Headlight Pod Engine, Air Intake System Body, Fuel Tank Asm. Electrical, Taillamps Body, Front Cab and Side Panels Electrical, Switches, Sensors and ECM Body, Front Bumper and Mounting Wheels, Rear Tire and Brake Disc Body, Decals Electrical, Ignition System Wheels, Front Tire and Brake Disc Body, Clutch Cover Electrical, Headlights Tools, Tool Kit Electrical, Harnesses Suspension, Torsion Bar Electrical, Gauges and Indicators Suspension, Rear Electrical, Bulbs Suspension, Front Strut Suspension, A-Arm and Strut Mounting Electrical, Battery Drive Train, Secondary Clutch (49ATVCLUTCHDRIVEN08SPX25) Steering, Steering Post Drive Train, Secondary Clutch (49ATVCLUTCHDRIVEN11SP500) Steering, Handlebar and Controls Drive Train, Rear Drive Shaft Steering, Controls, Throttle Asm. and Cable Drive Train, Primary Clutch (49ATVCLUTCH08SPX25) Reference, Owners Manual Drive Train, Primary Clutch (49ATVCLUTCH08SP500) Engine, Water Pump Drive Train, Main Gearcase Mounting Engine, Valves and Camshaft Drive Train, Main Gearcase Engine, Starting System Drive Train, Gear Selector Engine, Short Block Drive Train, Front Prop Shaft Engine, Oil System and Oil Tank Engine, Oil Pump

Zoomen:
Artikelname
Artikelnummer
Preis
Anzahl
