Ersatzteil Wahl:
Sportsman 500 HO Sportsman Forest 800 Sportsman X2 550 INTL Sportsman Touring 500 HO Sportsman 550 EPS Sportsman Forest 550 Sportsman 800 EFI 6X6 Sportsman XP 550 HD Sportsman Touring 550 EPS Sportsman X2 550 Sportsman Forest Tractor 500 Sportsman Touring 850 HO EPS Sportsman XP 850 Sportsman 90 Sportsman XP 850 HO EPS Sportsman Forest 850 Sportsman 550 Sportsman Forest 500 Sportsman 800 EFI Sportsman Forest 800 6X6 Sportsman Touring 850 EPS INTL Sportsman 400 HO 4x4 Sportsman Touring 550 EPS INTL Sportsman 500 HD
ENGINE, STARTING SYSTEM ENGINE, SHORT BLOCK ENGINE, OIL PUMP ENGINE, OIL FILTER ENGINE, MOUNTING ENGINE, MAGNETO COVER ENGINE, FUEL INJECTOR ENGINE, EXHAUST ENGINE, CYLINDER ENGINE, CRANKSHAFT and PISTON ENGINE, CRANKCASE ENGINE, COOLING SYSTEM and WATER PUMP ENGINE, COOLING SYSTEM ENGINE, BREATHER ENGINE, AIR INTAKE ELECTRICAL, TAILLIGHTS ELECTRICAL, SWITCHES, SENSORS, ECU and CONTROL MODULES ELECTRICAL, IGNITION SYSTEM ELECTRICAL, HEADLIGHTS ELECTRICAL, HARNESS - A13ZN5EAD/K/L/T ELECTRICAL, GAUGES and INDICATORS ELECTRICAL, BULBS ELECTRICAL, BULBS ELECTRICAL, BATTERY DRIVE TRAIN, SECONDARY CLUTCH DRIVE TRAIN, REAR GEARCASE INTERNALS DRIVE TRAIN, PROP SHAFT, REAR DRIVE TRAIN, PROP SHAFT, FRONT DRIVE TRAIN, PRIMARY CLUTCH DRIVE TRAIN, MAIN GEARCASE SHIFT FORKS DRIVE TRAIN, MAIN GEARCASE INTERNALS DRIVE TRAIN, MAIN GEARCASE DRIVE TRAIN, GEARCASE MOUNTING, REAR DRIVE TRAIN, GEARCASE MOUNTING, FRONT DRIVE TRAIN, GEAR SELECTOR DRIVE TRAIN, FRONT GEARCASE INTERNALS DRIVE TRAIN, DRIVE SHAFT, REAR DRIVE TRAIN, DRIVE SHAFT, FRONT DRIVE TRAIN, DRIVE COUPLER CHASSIS, MAIN FRAME BRAKES, REAR CALIPER BRAKES, FRONT CALIPER BRAKES, FRONT BRAKE LEVER and MASTER CYLINDER BRAKES, BRAKE PEDAL and MASTER CYLINDER BRAKES, BRAKE LINES BODY, STORAGE, REAR BODY, SKID PLATES WHEELS, REAR and HUB BODY, SEAT WHEELS, REAR and HUB BODY, REAR CAB and REAR RACK WHEELS, FRONT and HUB BODY, REAR BUMPER WHEELS, FRONT and HUB TOOLS, TOOL KIT SUSPENSION, STABILIZER BAR SUSPENSION, SHOCK, REAR SUSPENSION, SHOCK, FRONT BODY, HEADLIGHT POD BODY, FUEL TANK BODY, FRONT RACK and SUPPORTS BODY, FRONT CARGO BOX BODY, FRONT CAB BODY, FRONT BUMPER and MOUNTING SUSPENSION, REAR BODY, FOOTWELLS SUSPENSION, FRONT A-ARMS BODY, DECALS STEERING, STEERING POST ASM. BODY, CLUTCH COVER STEERING, HANDLEBAR and CONTROLS STEERING, CONTROLS, THROTTLE ASM. and CABLE REFERENCE, OWNERS MANUAL OPTIONS, WINCH OPTIONS, GUN BOOT ENGINE, VALVES and CAMSHAFT ENGINE, THROTTLE BODY

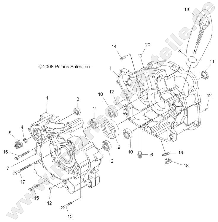
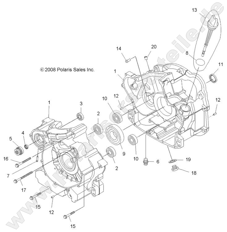
Polaris MECHANICAL SEAL - 3084837 (3084837)
91,89 € *
Nicht verfügbar, muss beim Hersteller / Importeur bestellt werden, Lieferzeit 7-12 Tage, wenn beim Hersteller / Importeur vorrätig

Zoomen:
Artikelname
Artikelnummer
Preis
Anzahl
05
Polaris MECHANICAL SEAL - 3084837
Nicht verfügbar, muss beim Hersteller / Importeur bestellt werden, Lieferzeit 7-12 Tage, wenn beim Hersteller / Importeur vorrätig
Artikelnummer: 3084837
Preis:
91,89 € *
