Ersatzteil Wahl:
Sportsman 550 EPS/XP EPS Sportsman Touring 570 EFI INTL Sportsman Forest Tractor 500 Sportsman 570 EFI UTE HD EPS Sportsman XP 550 EPS HD INTL Sportsman X2 550 EPS Sportsman 570 EFI HD Sportsman Touring 570 EFI Sportsman 570 EFI EPS Forest Sportsman 800 EFI 6x6 Sportsman 570 EFI EPS Sportsman X2 550 EPS LE UE Sportsman Touring 550 EPS Sportsman Touring EPS 850/HO Sportsman ACE Sportsman 800 EFI 6x6 Forest Sportsman 800 EFI Forest Sportsman 570 Forest Sportsman 850 WV Sportsman Touring 850 INTL Sportsman Forest 550 Sportsman 800 EFI Sportsman 570 EFI Sportsman XP EPS 850/HO
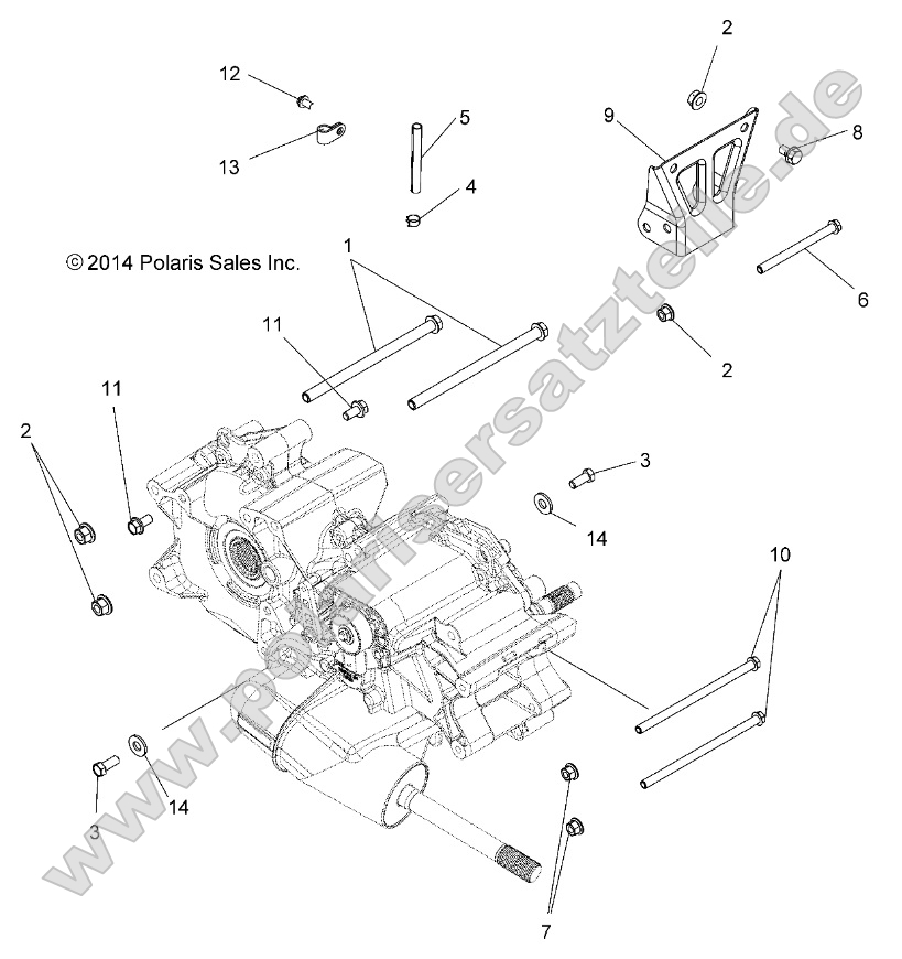
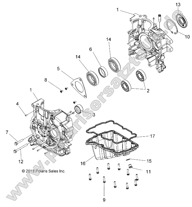
Steering, Handlebar and Controls Drive Train, Primary Clutch Steering, Controls, Throttle Asm. and Cable Drive Train, Main Gearcase Mounting Reference, Owners Manual Drive Train, Main Gearcase Engine, Waterpump Impeller and Cover Drive Train, Gear Selector Engine, Valve Cover Drive Train, Front Prop Shaft Engine, Throttle Body and Fuel Rail Drive Train, Front Gearcase Mounting Engine, Thermostat and Cover Engine, Stator Cover and Flywheel Drive Train, Front Gearcase Drive Train, Front Drive Shaft Engine, Starter Drive Chassis, Frame Engine, Oil Pump Brakes, Rear Caliper Engine, Oil Filter and Dipstick Brakes, Front Caliper Engine, Mounting Brakes, Front Brake Lever and Master Cylinder Engine, Long Block Brakes, Brake Pedal and Master Cylinder Engine, Fuel Injector & O-Rings Brakes, Brake Lines Engine, Exhaust Body, Storage, Front Engine, Cylinder Head, Cams and Valves Body, Storage Box, Rear Engine, Cylinder Engine, Crankshaft, Piston and Balance Shaft Body, Right Hand Side Panel Heat Shield and Hardware 1 Up Body, Rear Rack Engine, Crankcase Body, Rear Cab, Seat and Footwells Engine, Cooling System Body, Headlight Pod Engine, Cam Chain and Sprocket Body, Fuel Tank Asm. Engine, Air Intake System Body, Front Cab and Side Panels Electrical, Taillamps Body, Front Bumper and Mounting Body, Decals Electrical, Switches, Sensors and ECM Wheels, Rear Tire and Brake Disc Body, Clutch Cover Electrical, Ignition Coil, Wire and Spark Plug Wheels, Front Tire and Brake Disc Electrical, Headlights Tools, Tool Kit Electrical, Harness Suspension, Torsion Bar Electrical, Gauges and Indicators Suspension, Rear Suspension, Front Strut Electrical, Bulbs Electrical, Battery Suspension, A-Arm and Strut Mounting Drive Train, Secondary Clutch Steering, Steering Post Drive Train, Rear Drive Shaft

































































