Ersatzteil Wahl:
Sportsman 550 EPS/XP EPS Sportsman Touring 570 EFI INTL Sportsman Forest Tractor 500 Sportsman 570 EFI UTE HD EPS Sportsman XP 550 EPS HD INTL Sportsman X2 550 EPS Sportsman 570 EFI HD Sportsman Touring 570 EFI Sportsman 570 EFI EPS Forest Sportsman 800 EFI 6x6 Sportsman 570 EFI EPS Sportsman X2 550 EPS LE UE Sportsman Touring 550 EPS Sportsman Touring EPS 850/HO Sportsman ACE Sportsman 800 EFI 6x6 Forest Sportsman 800 EFI Forest Sportsman 570 Forest Sportsman 850 WV Sportsman Touring 850 INTL Sportsman Forest 550 Sportsman 800 EFI Sportsman 570 EFI Sportsman XP EPS 850/HO
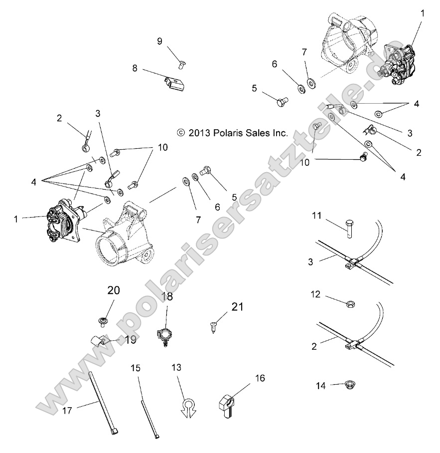
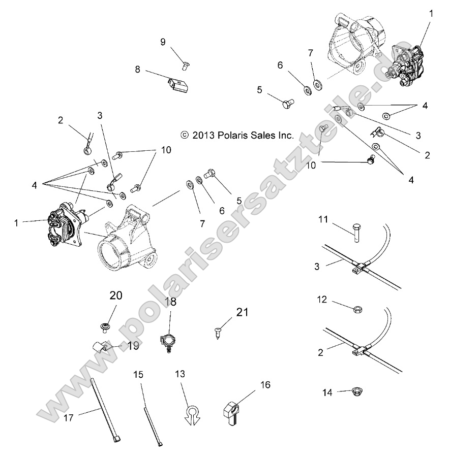
Brakes, Valve System Brakes, Rear Brake Lines Brakes, Front Brake Lines Bakes, Front Brake Lever and Master Cylinder Brakes, Brake Pedal and Master Cylinder Brakes, Brake Caliper, Rear Brakes, Brake Caliper, Front Body, Storage, Front Body, Storage Box, Rear Body, Right Hand Side Panel Heat Shield and Hardware 1 Up Wheels, Rear Tire and Brake Disc Wheels, Front Tire and Brake Disc Body, Rear Rack Body, Rear Cab, Seat and Footwells Body, Mirrors Body, Headlight Pod Body, Fuel Tank Asm. Body, Front Cab and Side Panels Tools, Tool Kit Body, Front Bumper and Mounting Suspension, Torsion Bar Body, Decals Suspension, Rear Body, Clutch Cover Suspension, Front Strut Suspension, A-Arm and Strut Mounting Steering, Steering Post Steering, Steerling Lock Steering, Handlebar and Controls Steering, Controls, Throttle Asm. and Cable Reference, Owners Manual Options, Winch Engine, Waterpump Impeller and Cover Engine, Valve Cover Engine, Throttle Body and Fuel Rail Engine, Thermostat and Cover Engine, Stator Cover and Flywheel Engine, Starter Drive Engine, Oil Pump Engine, Oil Filter and Dipstick Engine, Mounting Engine, Long Block Engine, Fuel Injector & O-Rings Engine, Exhaust Engine, Cylinder Head, Cams and Valves Engine, Cylinder Engine, Crankshaft, Piston and Balance Shaft Engine, Crankcase Engine, Cooling System Engine, Cam Chain and Sprocket Engine, Air Intake System Electrical, Turn Signals and Horn Electrical, Taillamps Electrical, Switches, Sensors and ECM Modules Electrical, Ignition Coil, Wire and Spark Plug Electrical, Headlights Electrical, Harness Electrical, Gauges and Indicators Electrical, Bulbs Electrical, Battery Drive Train, Secondary Clutch Drive Train, Rear Drive Shaft Drive Train, Primary Clutch Drive Train, Main Gearcase Mounting Drive Train, Main Gearcase Drive Train, Gear Selector Drive Train, Front Prop Shaft Drive Train, Front Gearcase Mounting Drive Train, Front Gearcase Drive Train, Front Drive Shaft Chassis, Frame







































































