Ersatzteil Wahl:
Schloßset Kolben / Zylinder Zylinderkopf Ventildeckel Kurbelwelle Ventilsteuerung Ölsystem Motordeckel links Motorgehäuse Motordeckel rechts Kupplung Schaltwelle - Schalthebel Getriebe Lichtmaschine / Zündung Einspritzung Luftsystem Ölkühler Kraftstofftank Sitzbank / Schutzblech hinten Rahmen / Fußrasten Lenker & Hebel Gabel / Gabelbrücke Hinterradschwinge / Stoßdämpfer Vorderrad Hinterrad Bremssystem Bremssystem hinten Auspuffsystem Silver Vase Tachometer / Lenkerschalter Elektrisches System Aufkleber Silver Vase
SWM Silver Vase 440 2016
In dieser Shopkategorie bei teammayerparts.de finden Sie alle originale SWM Motorrad Ersatzteile für das Modell Silver Vase 440 mit Baujahr 2016 ohne ABS System, in der Fahrgestellnummer enthält dieses Modell die Zahlen-/Buchstabenkombination A300AAG.
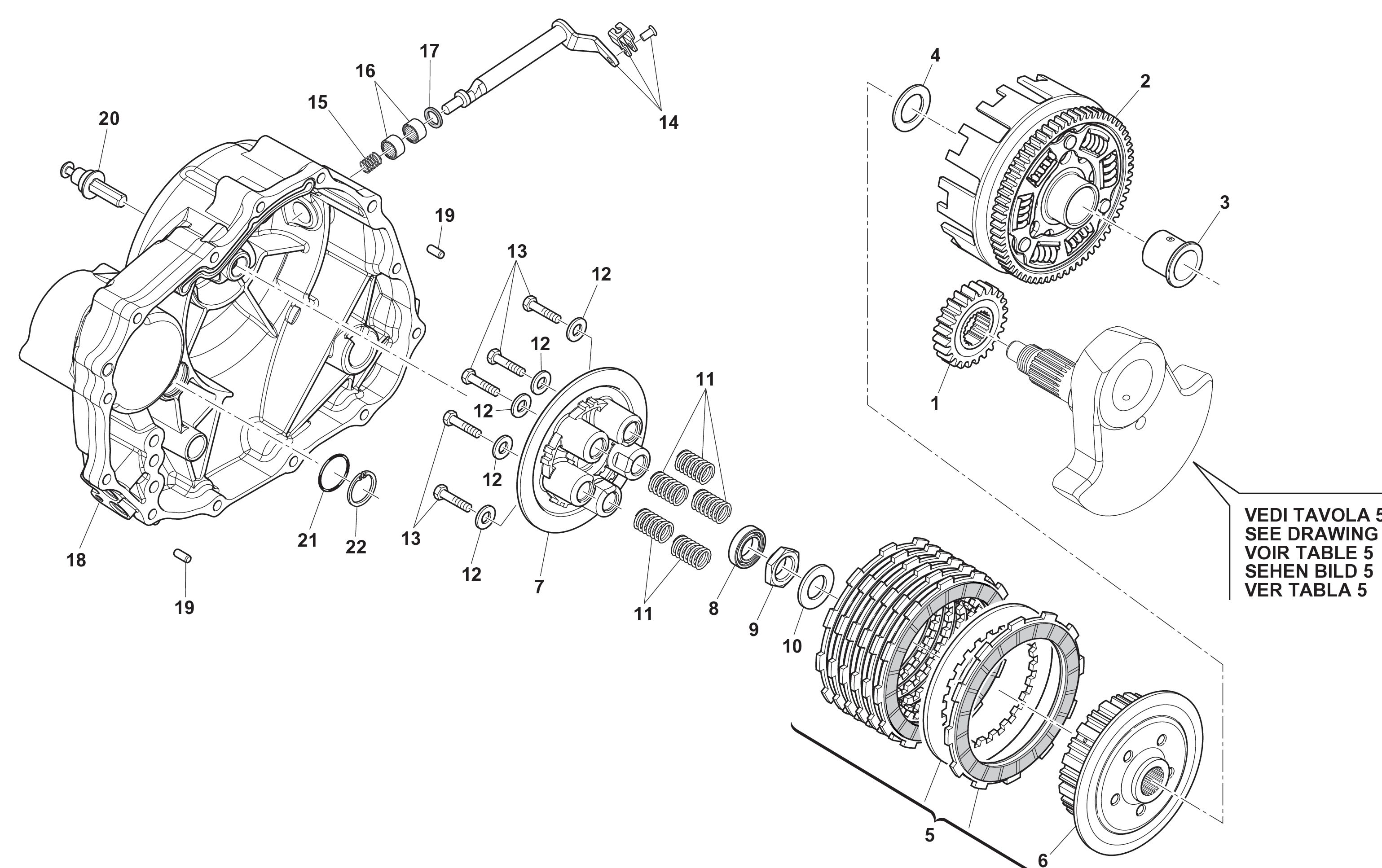
Die Auswahl der original Ersatzteile erfolgt über Explosionszeichnungen von jeder Baugruppe des SWM Motorrad Modells. Mit den Hot-Spots in den Teilezeichnungen können Sie die gewünschten Ersatzteile für Ihr SWM Motorrad schnell und einfach ausgewählt und bestellt werden.
Hinweis:
Achten Sie auf die Farbauswahl der Verkleidungsteile und der richtige Fahrzeugseite mancher Bauteile.































