Ersatzteil Wahl:
Kolben / Zylinder Zylinderkopf Ventildeckel Kurbelwelle Ventilsteuerung Ölsystem Motordeckel links Motorgehäuse Motordeckel rechts Kupplung Schaltwelle Getriebe Lichtmaschine / Zündung Schalthebel Einspritzung Luftsystem Ölkühler Kraftstofftank Sitzbank / Schutzblech Rahmen / Fußrasten Lenker & Hebel Gabel / Gabelbrücke Hinterradschwinge / Stoßdämpfer Vorderrad Hinterrad Bremssystem vorne Bremssystem hinten ABS System Auspuffsystem Tachometer / Lenkerschalter Elektrisches System Aufkleber grün Aufkleber gelb Schloßsatz
SWM Six Days 500 ABS 2022
In dieser Shopkategorie bei teammayerparts.de finden Sie alle originale SWM Motorrad Ersatzteile für das Modell Six Days 500 mit Baujahr 2022 mit ABS System.
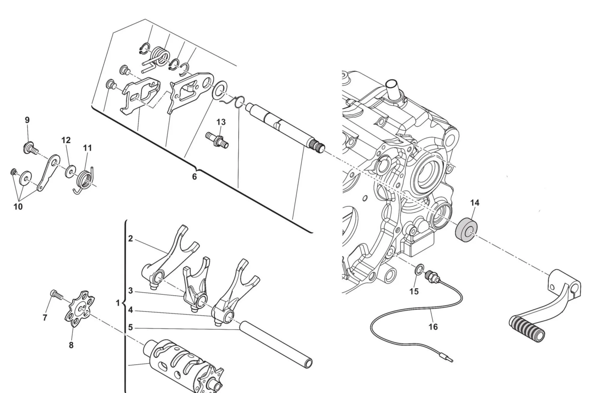
Die Auswahl der original Ersatzteile erfolgt über Explosionszeichnungen von jeder Baugruppe des SWM Motorrad Modells. Mit den Hot-Spots in den Teilezeichnungen können Sie die gewünschten Ersatzteile für Ihr SWM Motorrad schnell und einfach ausgewählt und bestellt werden.
Hinweis:
Achten Sie auf die Farbauswahl der Verkleidungsteile und der richtige Fahrzeugseite mancher Bauteile.


































