Ersatzteil Wahl:
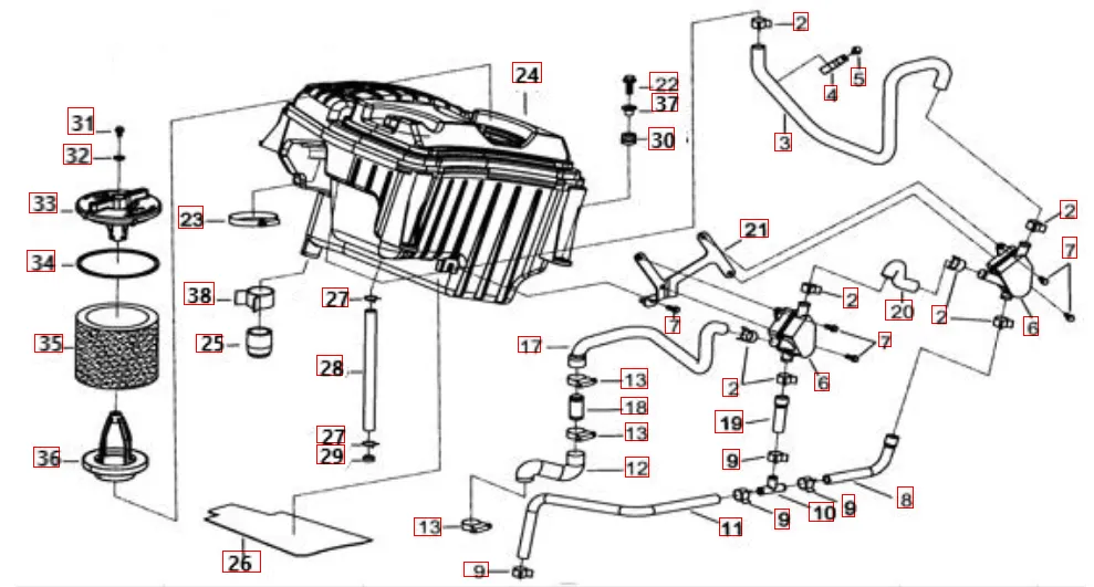
Schneeschild Spezialwerkzeug Schmutzfänger-Fahnenstangenhalterung Anhängevorrichtung Hecksturzbügel Gepäckträger vo. und hi.(Stahl) Gepäckträger vo.u. hi Seilwinde Unterfahrschutz Top Case 70l Top Case Stoßstange vorne Hitzeschutz f. Kraftstofftanktank Frontmaske Zylinderkopf Anhängerkupplung Auspuff Rücklicht ohne Nebelschlussleuchte EPS_Bürstenloser Motor Kraftstofftank Servomotor Sitzbank Scheinwerfer Differential hinten Hinterradachse Ansaugstutzen Differential vorne Bremsanlage hinten Motor Motorgehäuse links Variomatik Elektrik 2 Diagnosegerät Top case 135l Rahmen 2 Schalter-Hebel Kurbelwelle Getriebe 2 Rahmen 1 Lenker-Spiegel Motorgehäuse Aufkleber 1 Getriebe 1 Kabelbaum - Schlosssatz Bremsanlage vorne Lenksäule-Spurstange Drosselklappe Seilwinde Lichtmaschine-Anlasser Bremspedal Zylinder Gepäckträger vo.u. hi Motorgehäuse rechts Kühler Gangschalthebel Ansaugbrücke Elektrik 1 Luftfilter Vorderrad (Kundenspez) Sturzbügel vo. u. hi. - Fußstützen Tachometer TFT Hinterrad (Kundenspez.) Frontverkleidung schwarz-matt Vorderradbremse Fusstütze-Tankabdeckung Heckverkleidung Vorderrad (New Style) Federbein hinten,gelb Hinterrad (New Style) Federbein vorne Aufkleber 2 schwarz matt Aufkleber 2 schwarzmatt / gelb







































































