Ersatzteil Wahl:
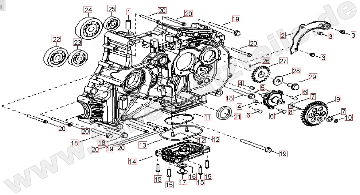
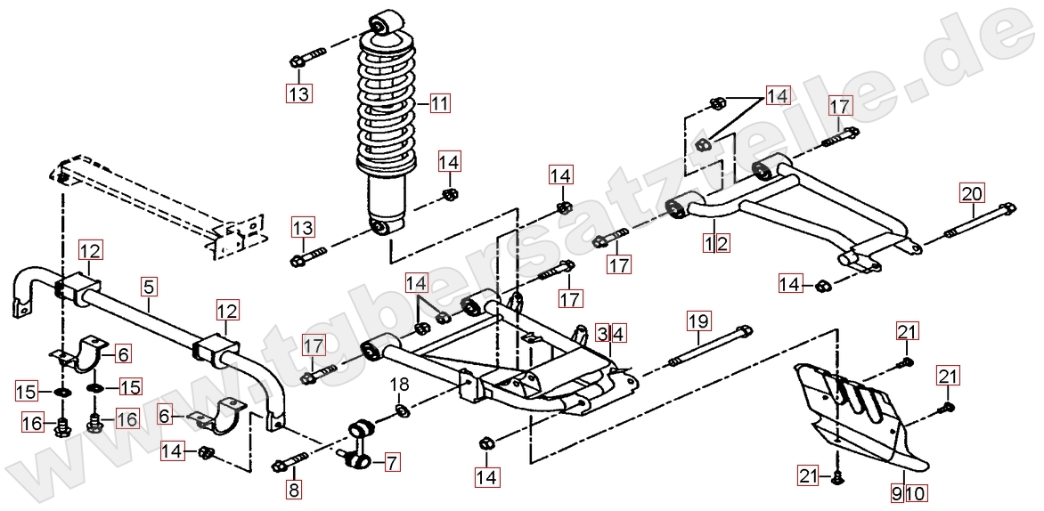
Stellmotor Differentialsperre Variomatik Differenzial hinten Differenzial vorne Motorgehäuse links (2) Motorgehäuse links (1) Lichtmaschine - Anlasser Kurbelwelle - Kolben Bremspedal Gangschalthebel Benzintank Stossstange vo. und hi. Federbein vorne Rahmen Rücklicht - Blinker hinten Scheinwerfer - Blinker vorne Tachometer Aufkleber2 Rahmen Aufkleber1 Elektrik 2 Vergaser Motorgehäuse Motorgehäuse rechts Wasserpumpe - Handstartereingriffsrad - Tachonatrieb Getriebe Zylinder Zylinderkopf Ansaugstutzen Motor Benzinkanister u. Halter Motor Schneeschild Blade 500 offroad LOF IRS 2015 Elektrik 1 Auspuff Luftfilter Kühler Kabelbaum Sitzbank Heckverkleidung Fussstützen und Tankabdeckung Frontverkleidung Stossstange vorne Windschild Sissybar Spezialwerkzeug Reifen und Felgen Anhängevorrichtung Seilwinde Top Case Unterfahrschutz Gepäckträger vo. und hi. Zubehör Hinterrad Hinterradachse Bremsanlage hinten Schalter - Hebel LOFBF501IRSMZ-ACC03_3 Lenker - Spiegel LOFBF501IRSMZ-ACC03_2 Lenksäule - Spurstange Top Case 110L Vorderrad Vorderradbremse Federbein hinten Bremsanlage vorne


































































