Ersatzteil Wahl:
Blade 550 EFI EPS LOF Limited 2021 Blade 550 EFI Offroad LOF IRS 2018 Special Edition Blade 550 offroad LOF IRS Winter Edition Blade 550 offroad LOF IRS 2015 Blade 550 EFI SE offroad LOF IRS 2014-15 Blade 550 EFI Offroad LOF IRS 2018 Blade 550 EFI offroad LOF IRS 2013 Blade 550 offroad LOF IRS 2012 Blade 550 EFI LOF IRS FL ECO 2017 Blade 550 offroad LOF IRS 2010 Blade 550 EFI ECO LOF 2020-21 Blade 550 EFI ECO LOF Special Edition 2017 Blade 550 EFI EPS 4x4 LOF IRS Eco 2018 Black Edition Blade 550 EFI offroad LOF IRS 2016 Blade 550R EFI offroad LOF 2015 Blade 550 EFI LOF IRS Black Edition 2016
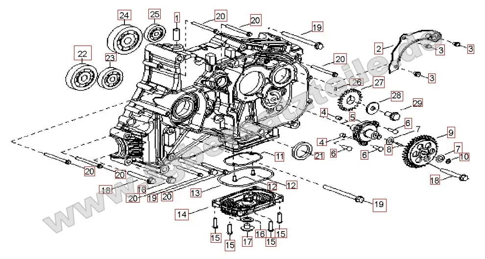
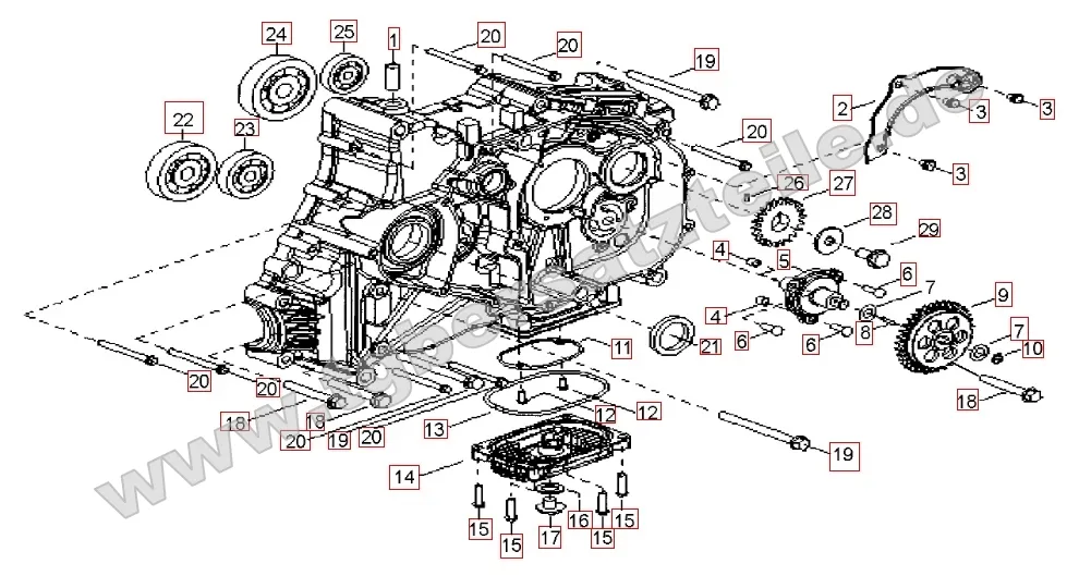
Schneeschild Windschild Sissybar Spezialwerkzeug Reifen und Felgen Anhängevorrichtung Seilwinde Top Case Unterfahrschutz Zubehör Auspuff Motoraufhängung Aufkleber 2 Aufkleber 1 Benzinpumpe Elektrik 2 Elektrik 1 Luftfilter Kühler Kabelbaum - Schlosssatz Sitzbank Heckverkleidung Fußstützen und Tankabdeckung Frontverkleidung Stoßstange vorne Aufkleber 2 Hinterrad Hinterradachse Bremsanlage hinten Schalter - Hebel Lenker - Spiegel Lenksäule - Spurstange Vorderrad Vorderradbremse Stellmotor Differentialsperre Federbein hinten Variomatik Bremsanlage vorne Differenzial hinten Differenzial vorne Motorgehäuse links (2) Motorgehäuse links (1) Lichtmaschine - Anlasser Kurbelwelle - Kolben Bremspedal Gangschalthebel Benzintank Stoßstange vorne und hinten Federbein vorne Rahmen Drosselklappe Rücklicht Motorgehäuse Scheinwerfer - Blinker vorne Motorgehäuse rechts Tachometer Wasserpumpe - Tachoantrieb Rahmen Getriebe Zylinder Zylinderkopf Ansaugstutzen Motor Motor Gepäckträger vorne und hinten Benzinkanister und Halter































































