Ersatzteil Wahl:
Blade 550 EFI EPS LOF Limited 2021 Blade 550 EFI Offroad LOF IRS 2018 Special Edition Blade 550 offroad LOF IRS Winter Edition Blade 550 offroad LOF IRS 2015 Blade 550 EFI SE offroad LOF IRS 2014-15 Blade 550 EFI Offroad LOF IRS 2018 Blade 550 EFI offroad LOF IRS 2013 Blade 550 offroad LOF IRS 2012 Blade 550 EFI LOF IRS FL ECO 2017 Blade 550 offroad LOF IRS 2010 Blade 550 EFI ECO LOF 2020-21 Blade 550 EFI ECO LOF Special Edition 2017 Blade 550 EFI EPS 4x4 LOF IRS Eco 2018 Black Edition Blade 550 EFI offroad LOF IRS 2016 Blade 550R EFI offroad LOF 2015 Blade 550 EFI LOF IRS Black Edition 2016
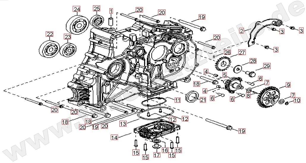
Getriebe Zylinder Zylinderkopf Ansaugstutzen Motor Motor Benzinkanister u. Halter Schneeschild Elektrik 1 Auspuff Luftfilter Kühler Kabelbaum - Schlosssatz Sitzbank Heckverkleidung Fussstützen und Tankabdeckung Frontverkleidung Stossstange vorne Windschild Sissybar Spezialwerkzeug Reifen und Felgen Anhängevorrichtung Seilwinde Top Case Unterfahrschutz Gepäckträger vo. und hi. Zubehör Hinterrad Hinterradachse Bremsanlage hinten Schalter - Hebel Lenker - Spiegel Lenksäule - Spurstange Vorderrad Vorderradbremse Federbein hinten Bremsanlage vorne Blade 550 EFI SE offroad LOF IRS 2014-15 Stellmotor Differentialsperre Variomatik Soft Top Case Differenzial hinten Top Case 135L Differenzial vorne Top Case 110L Motorgehäuse links (2) Motorgehäuse links (1) Lichtmaschine - Anlasser Kurbelwelle - Kolben Bremspedal Gangschalthebel Benzintank Stossstange vo. und hi. Federbein vorne Rahmen Rücklicht Scheinwerfer - Blinker vorne Aufkleber2 Tachometer Aufkleber1 Rahmen Benzinpumpe Elektrik 2 Drosselklappe Motorgehäuse Motorgehäuse rechts Wasserpumpe - Tachoantrieb




































































