Ersatzteil Wahl:
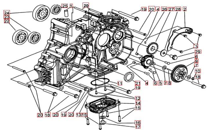
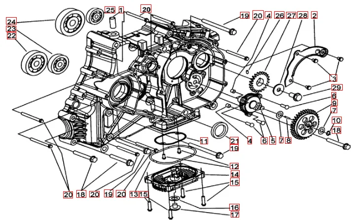
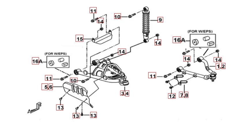
Motorgehäusedeckel links 1 Motorgehäusedeckel links (2) Variomatik Drosselklappe Ansaugstutzen Top Case- Sturzbügel hinten Zylinderkopf Zylinder Benzinpumpe Getriebe Anhängerkupplung Motorgehäuse links 1 Motorgehäuse rechts Kraftstofftank Kurbelwelle - Kolben Motorgehäuse links (2) Luftfilter Servomotor Aufkleber 1 Motor Motorgehäuse EPS (für Bürsten MOTOR) Schmutzfänger-Fahnenstangenhalterung Gangschalthebel Differential hinten Lichtmaschinen Spezialwerkzeug Sissybar Schalter-Hebel Bremsanlage hinten Auspuff Unterfahrschutz ALU (optional) Lenker-Spiegel Schneeschild Frontverkleidung racing-blaumatt-orange Federbein vorne Kühler Hinterrad Hinterradachse Seilwinde Federbein hintennten Batterie - Elektrik Elektrik Lenksäule- Spurstange Scheinwerfer Bremspedal Heckverkleidung racing-blau-matt-orange Stoßstange vorne Vorderradbremse Kabelbaum Gepäckträger vo. u. hi.Plastik_Sturzbügel vo. Rahmen Aufkleber 2 Motoraufhängung Rücklicht Bremsanlage vorne Tachometer Differential vorne Stoßstange vo. und hi. Sitzbank_schwarz mit roter Naht Fußstütze-Tankabdeckung racing-blau matt-orange Vorderrad






























































